Kastengerät mit integriertem Axialventilator mit stufenlos verstellbaren Laufschaufeln und Nachleitrad sowie Eignung für Betrieb mit Frequenzumformer.
Optional ist eine Ausführung mit Kennlinienstabilisator für eine Erweiterung des stabilen Kennlinienbereichs des Axialventilators. Eine wetterfeste Ausführung für Außenaufstellung ist optional lieferbar. Eine isolierte Jalousieklappe mit Federrücklaufmotor oder Stellantrieb kann bei Bedarf einfach integriert werden.
| Typ | Volumenstrom [m3/h] |
Gesamtdruck [Pa] |
statischer Druck frei ausblasend [Pa] |
Motorleistung [kW] |
Nennstrom [A] |
Drehzahl [1/min] |
Gewicht inkl. Motor [kg] |
|---|---|---|---|---|---|---|---|
| RDV 500/4/1,5 | 7.500 | 310 | > 220 | 1,50 | 3,5 | 1.500 | 80 |
| RDV 400/2/3 | 7.500 | 790 | > 550 | 3,00 | 5,7 | 3.000 | 61 |
| RDV 500/4/1,5 | 10.000 | 290 | > 140 | 1,50 | 3,5 | 1.500 | 80 |
| RDV 450/2/4 | 10.000 | 900 | > 620 | 4,00 | 7,5 | 3.000 | 77 |
| RDV 630/4/2,2 | 12.500 | 370 | > 260 | 2,20 | 4,7 | 1.500 | 127 |
| RDV 500/2/5,5 | 12.500 | 900 | > 640 | 5,50 | 10,1 | 3.000 | 101 |
| RDV 630/4/4 | 15.000 | 520 | > 370 | 4,00 | 8,2 | 1.500 | 130 |
| RDV 500/2/7,5 | 15.000 | 1170 | > 790 | 7,50 | 13,8 | 3.000 | 134 |
| RDV 630/4/4 | 17.500 | 500 | > 300 | 4,00 | 8,2 | 1.500 | 130 |
| RDV 710/4/7,5 | 17.500 | 660 | > 520 | 7,50 | 14,6 | 1.500 | 185 |
| RDV 630/4/4 | 20.000 | 450 | > 160 | 4,00 | 8,2 | 1.500 | 130 |
| RDV 630/4/5,5 | 20.000 | 510 | > 240 | 5,50 | 11,1 | 1.500 | 142 |
| RDV 710/4/7,5 | 20.000 | 680 | > 500 | 7,50 | 14,6 | 1.500 | 185 |
| RDV 710/4/7,5 | 25.000 | 670 | > 400 | 7,50 | 14,6 | 1.500 | 185 |
| RDV 800/4/ 11 | 25.000 | 840 | > 660 | 11,00 | 21,2 | 1.500 | 262 |
| RDV 800/4/11 | 30.000 | 820 | > 560 | 11,00 | 21,2 | 1.500 | 262 |
| RDV 800/4/15 | 30.000 | 870 | > 610 | 15,00 | 28,7 | 1.500 | 284 |
| RDV 800/4/11 | 35.000 | 770 | > 420 | 11,00 | 21,2 | 1.500 | 262 |
| RDV 800/4/15 | 35.000 | 880 | > 540 | 15,00 | 28,7 | 1.500 | 284 |
| RDV 900/4/15 | 40.000 | 900 | > 600 | 15,00 | 28,7 | 1.500 | 310 |
| RDV 900/4/18,5 | 40.000 | 1020 | > 720 | 18,50 | 34,3 | 1.500 | 361 |
Die in der Tabelle angegebenen Betriebspunkte stellen eine Auswahl dar. Weitere Betriebspunkte sind auf Anfrage ebenso realisierbar.
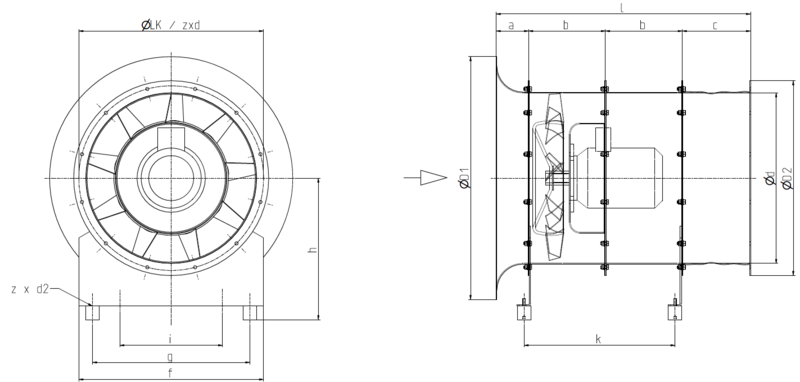
| a | b | c | e | l | D1 | D2 | LK | d li. | f | h | z x d | g | i | j | k | m | n | z x d2 | D3 | D4 | |
|---|---|---|---|---|---|---|---|---|---|---|---|---|---|---|---|---|---|---|---|---|---|
| RDV 400/../.. | 81 | 90 | 176 | 188 | 535 | 500 | 468 | 438 | 401 | 370 | 300 | 12x9,5 | 300 | 150 | 490,5 | 454 | 21,5 | 36,5 | 5x11,5 | 517 | 461 |
| RDV 450/../.. | 90 | 101 | 180 | 200 | 571 | 560 | 517 | 487 | 450 | 410 | 335 | 12x9,5 | 330 | 165 | 517,5 | 481 | 21,5 | 36,5 | 5x11,5 | 571 | 517 |
| RDV 500/../.. | 95 | 110 | 206 | 225 | 636 | 630 | 571 | 541 | 504 | 460 | 375 | 12x9,5 | 380 | 190 | 577,5 | 541 | 21,5 | 36,5 | 5x11,5 | 643 | 576 |
| RDV 560/../.. | 115 | 124 | 216 | 242 | 697 | 710 | 643 | 605 | 565 | 510 | 420 | 16x11,5 | 430 | 215 | 626,5 | 582 | 24,5 | 44,5 | 5x11,5 | 712 | 643 |
| RDV 630/../.. | 113 | 137 | 258 | 286 | 794 | 800 | 712 | 674 | 634 | 550 | 470 | 16x11,5 | 470 | 235 | 725,5 | 681 | 24,5 | 44,5 | 5x11,5 | 789 | 718,5 |
| RDV 710/../.. | 130 | 153 | 275 | 305 | 863 | 900 | 789 | 751 | 711 | 620 | 525 | 16x11,5 | 530 | 265 | 777,5 | 733 | 24,5 | 44,5 | 5x11,5 | 887,5 | 812 |
| RDV 800/../.. | 138 | 172 | 319 | 350 | 979 | 1000 | 875 | 837 | 797 | 730 | 585 | 24x11,5 | 640 | 320 | 885,5 | 841 | 24,5 | 44,5 | 5x14 | 992 | 917 |
| RDV 900/../.. | 155 | 195 | 333 | 373 | 1056 | 1120 | 972 | 934 | 894 | 730 | 655 | 24x11,5 | 640 | 320 | 945,5 | 901 | 24,5 | 44,5 | 5x14 | 1106 | 1031 |
| RDV 1000/../.. | 166 | 217 | 372 | 415 | 1170 | 1250 | 1081 | 1043 | 1003 | 830 | 730 | 24x11,5 | 740 | 370 | 1060,5 | 1004 | 33,5 | 56,5 | 5x14 | 1233 | 1149 |
Maß- und Gewichtsänderungen vorbehalten